华星RPC3FxC系列控制器说明书

 时间:2024-11-20 03:21:50

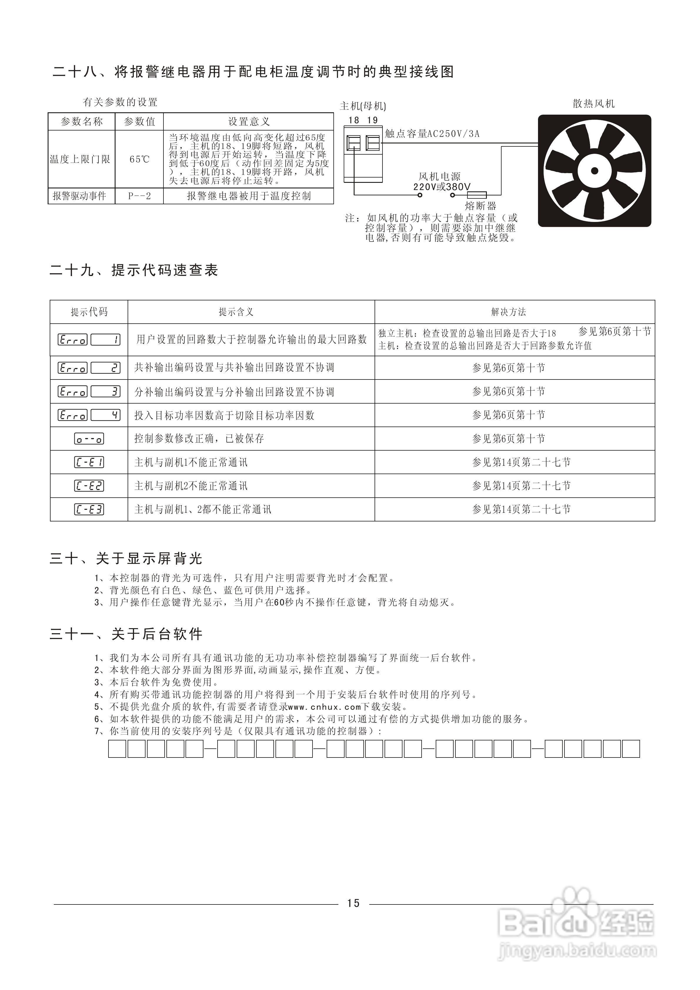
华星RPC3FxC系列控制器说明书

华星RPC3FxC系列控制器说明书

华星RPC3FxC系列控制器说明书

华星RPC3FxC系列控制器说明书

华星RPC3FxC系列控制器说明书

华星RPC3FxC系列控制器说明书

华星RPC3FxC系列控制器说明书

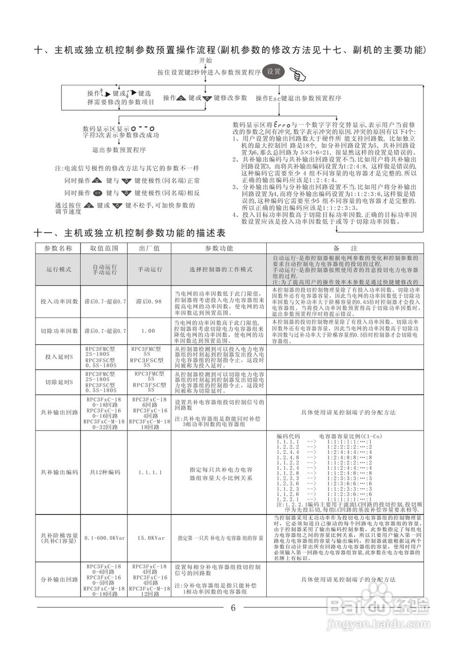
华星RPC3FxC系列控制器说明书

华星RPC3FxC系列控制器说明书

华星RPC3FxC系列控制器说明书

华星RPC3FxC系列控制器说明书

华星RPC3FxC系列控制器说明书

华星RPC3FxC系列控制器说明书

华星RPC3FxC系列控制器说明书

华星RPC3FxC系列控制器说明书

华星RPC3FxC系列控制器说明书

华星RPC3FxC系列控制器说明书

华星RPC3FxC系列控制器说明书

  • 健康养生佳品陈皮金桔雪梨瘦肉汤的做法
  • 固安进京快速通道怎么申请
  • 优酷视频播放卡顿怎么办?
  • babyhawk加装MINI OSD,外场用遥控器就能调PID
  • OPPO怎么设置扫名片
  • 热门搜索
    土豆红烧肉的做法 腾达无线路由器怎么设置 海上钢琴师简介 什么运动减肥效果最好 梦幻西游攻略 红烧茄子最简单的做法 按摩减肥 台风来了怎么办 验光师资格证怎么考 搜狗怎么打不认识的字