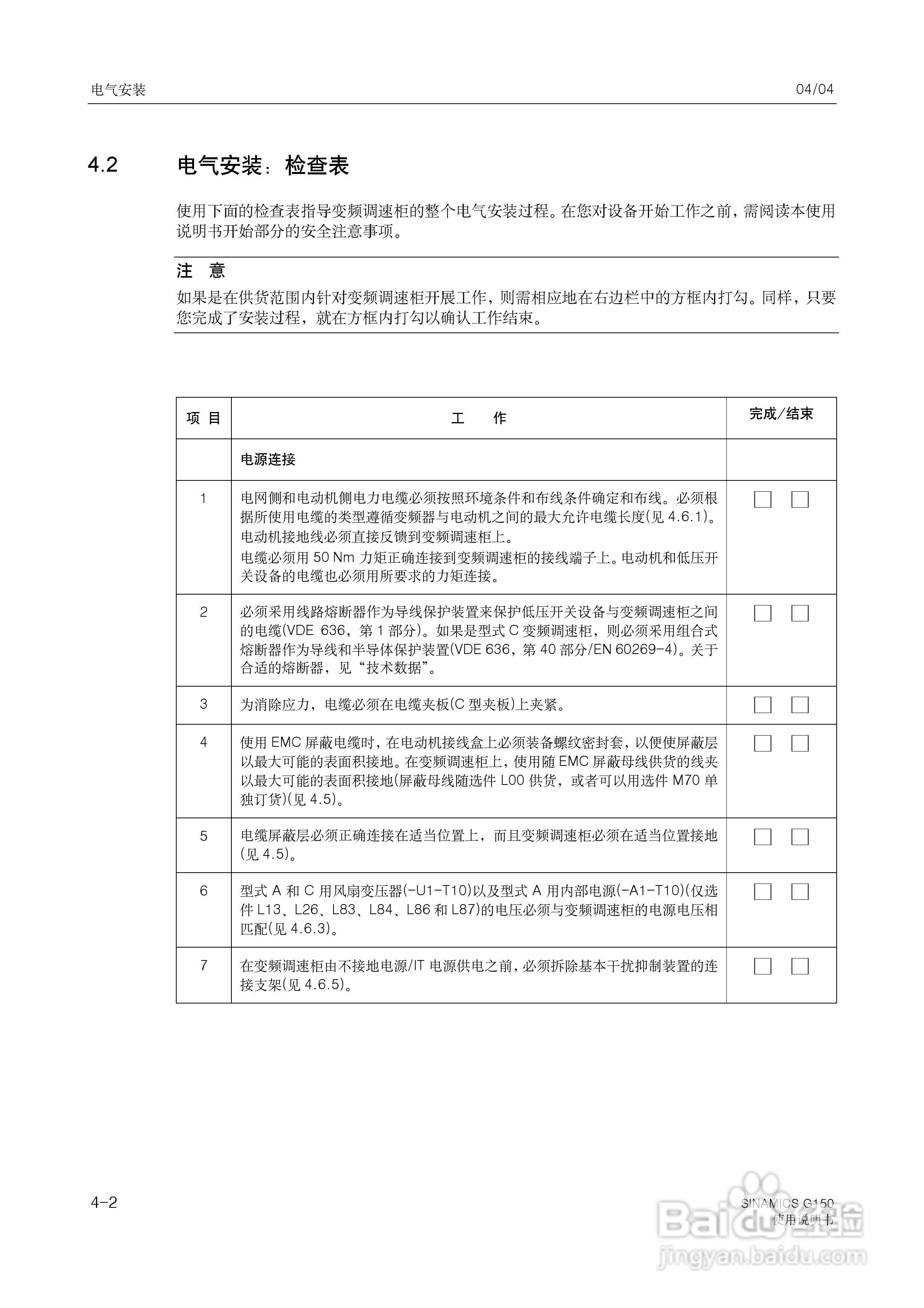
西门子变频调速柜SINAMICS G150使用说明书:[4]

 时间:2024-10-13 18:12:14

本篇为《西门子变频调速柜SINAMICS G150使用说明书》,主要介绍该产品的使用方法以及常见故障解决方案。

西门子变频调速柜SINAMICS G150使用说明书:[4]

西门子变频调速柜SINAMICS G150使用说明书:[4]

西门子变频调速柜SINAMICS G150使用说明书:[4]

西门子变频调速柜SINAMICS G150使用说明书:[4]

西门子变频调速柜SINAMICS G150使用说明书:[4]

西门子变频调速柜SINAMICS G150使用说明书:[4]

西门子变频调速柜SINAMICS G150使用说明书:[4]

西门子变频调速柜SINAMICS G150使用说明书:[4]

西门子变频调速柜SINAMICS G150使用说明书:[4]

西门子变频调速柜SINAMICS G150使用说明书:[4]

  • 西门子变频调速柜SINAMICS G150使用说明书:[4]
  • 西门子变频调速柜SINAMICS G150使用说明书:[3]
  • 西门子变频调速柜SINAMICS G150使用说明书:[6]
  • 西门子高性能单机传动变频调速器SINAMICS G130说明书:[2]
  • 西门子洗碗机使用方法
  • 热门搜索
    什么牌子的燕窝好 姜什么时候吃最好 氪金是什么意思 大概的意思 脱颖而出的颖是什么意思 改姓名需要什么手续 fish是什么意思 什么是有源音箱 顾的意思 函调是什么意思